Клапан обратный из нержавеющей стали АСТА ОК04

DN: 15-300
PN: 4 МПа
t max°: 350°С
Материал корпуса: нержавеющая сталь
Присоединение: фланцевое
Скачать сертификат: ТР ТС 10
Скачать паспорт: АСТА_ОК04

Описание

Клапаны обратные используются для защиты трубопровода и установленного оборудования от обратного потока рабочей среды.

 Необходимость в установке обратных клапанов может возникнуть для защиты от потери водяного столба перед насосами; в паровых системах за конденсатоотводчиками, для предотвращения заполнения паропровода конденсатом при отключении подачи пара.

Характеристики:
• Рабочая среда: вода, пар, воздух и другие газы и жидкости, совместимые с материалами конструкции клапана
• Максимальная температура: 350°С
• Минимальная температура: -60°С
• Типоразмеры: DN15-300
• Присоединение: фланцевое согласно DIN 2501 (DIN 2635 на PN  4,0 МПа) / EN1092-1
• Установка: на горизонтальном трубопроводе

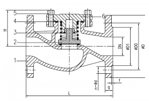
Весогабаритные характеристики:

 DN  L, мм  h2, мм  N x d  Вес, кг
15 130 70 4х14 3,8
20 150 70 4х14 4,9
25 160 80 4х14 5,9
32 180 80 4х18 7,1
40 200 90 4х18 10,4
50 230 95 4х18 12,3
65 290 125 4х18 22,7
80 310 135 8х18 28,5
100 350 150 8х18 40,0
125 400 180 8х22 64,0
150 480 240 8х26 90,0
200 600 280 12х30 170,0
250 730 320 12х33  240,0
300 850 395 16х33  370,0

Спецификации:

Наименование Материал
1 Корпус Нержавеющая сталь CF8 (SS304) 
2 Диск Нержавеющая сталь SS304
3 Пружина Нержавеющая сталь SS304
4 Уплотнение по корпусу Графит + Нержавеющая сталь SS304
5 Болты Нержавеющая сталь A193 B8
6 Крышка корпуса Нержавеющая сталь CF8 (SS304)

 

Отзывы

Отзывов пока нет.

Будьте первым, кто оставил отзыв на “Клапан обратный из нержавеющей стали АСТА ОК04”

Ваш адрес email не будет опубликован. Обязательные поля помечены *