Описание
Клапаны обратные используются для защиты трубопровода и установленного оборудования от обратного потока рабочей среды.
Необходимость в установке обратных клапанов может возникнуть для защиты от потери водяного столба перед насосами; в паровых системах за конденсатоотводчиками, для предотвращения заполнения паропровода конденсатом при отключении подачи пара.
| Характеристики: | ||
| • Рабочая среда: вода, пар, воздух, нейтральные среды • Максимальная температура: 400°С • Минимальная температура: -30°С • Типоразмеры: DN15-300 • Присоединение: фланцевое согласно DIN 2501 (DIN 2635 на PN 4,0 МПа) / EN1092-1 • Установка: на горизонтальном трубопроводе |
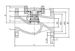
Весогабаритные характеристики:

| DN | L, мм | h2, мм | N x d | Вес, кг |
| 15 | 130 | 70 | 4х14 | 3,8 |
| 20 | 150 | 70 | 4х14 | 4,9 |
| 25 | 160 | 80 | 4х14 | 5,9 |
| 32 | 180 | 80 | 4х18 | 7,1 |
| 40 | 200 | 90 | 4х18 | 10,4 |
| 50 | 230 | 95 | 4х18 | 12,3 |
| 65 | 290 | 125 | 8х18 | 22,7 |
| 80 | 310 | 135 | 8х18 | 28,5 |
| 100 | 350 | 150 | 8х22 | 40,0 |
| 125 | 400 | 180 | 8х26 | 64,0 |
| 150 | 480 | 240 | 8х26 | 90,0 |
| 200 | 600 | 280 | 12х30 | 170,0 |
| 250 | 730 | 320 | 12х33 | 240,0 |
| 300 | 850 | 395 | 16х33 | 370,0 |
Спецификация материалов:
| № | Наименование | Материал |
| 1 | Корпус | GS-C25+13Cr |
| 2 | Диск | Углеродистая хромированная сталь A105+13Cr |
| 3 | Пружина | Нержавеющая сталь SS304 |
| 4 | Диск | Сталь 20Х13 |
| 5 | Уплотнение по корпусу | Графит |
| 6 | Болты | Сталь А193 B7 |
| 7 | Крышка корпуса | GS-C25+13Cr |

Отзывы
Отзывов пока нет.