Отделитель пара вторичного вскипания АСТА ОП

DN: 50х50-150х150х80
PN: 1,6 МПа
t max°: 250°С
Материал корпуса: углеродистая сталь
Присоединение: фланцевое
Скачать паспорт: ACTA_OП

Описание

Отделитель пара вторичного вскипания — важный элемент в системах продувки котлов и рекуперации пара. Устанавливается в любых паровых системах, где происходит редуцирование конденсата с высокого давления до низкого, что ведет к образованию пара вторичного вскипания. Этот пар может быть использован в системах с низким давлением пара и нагревающего оборудования.

Характеристики:

  • Рабочая среда: конденсат
  • Максимальная температура: 250°С
  • Минимальная температура: -10°С
  • Типоразмеры: DN50х50-150х150х80
  • Присоединение: фланцы по ГОСТ 33259-2015 исполнение В на PN 1,6 МПа, другие исполнения по запросу
  • Установка: вертикальное положение

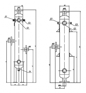
Весогабаритные характеристики:

Тип ОП06 ОП08 ОП12 ОП16 ОП18
А, мм 1400 1500 1540 1660   1610
А1, мм 1200 1300 1340 1460  1410 
В, мм 185 210 265 310  330 
С, мм 170 220 325 410  460 
D, мм 800 810 830 930  965 
D1, мм 600 610 630 730  765 
Е, мм 635 645 660 725  755 
F, мм 50 80 100 150  150 
G, мм 50 80 100 150  150 
H, мм 50 50 50 80  80 
I, мм 853 908 908 990  — 
I1, мм —  485 
d1, мм 3/4” 1” 1 ½” 1 ½”  2” 
d2, мм 2” 2” 2” 2”  2”  
d3, мм 1/2”
1/2” 1/2”
1/2”  1/2” 
d4, мм 1” 1” 1”
 1 ½”   1 ½”
Масса, кг 36 56 92 146 174 

Спецификация материалов:

Наименование Материал
1 Обечайка Сталь 20 
2 Днище  Сталь 20 
3 Фланцы  Сталь 20
4 Входные/выходные патрубки Сталь 20
5  Бобышки Сталь 20 
6 Опоры Сталь 20

Отзывы

Отзывов пока нет.

Будьте первым, кто оставил отзыв на “Отделитель пара вторичного вскипания АСТА ОП”

Ваш адрес email не будет опубликован. Обязательные поля помечены *